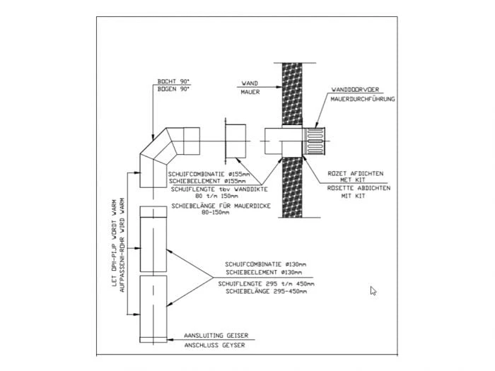
Vous souhaitez installer le chauffe-eau B14 dans votre caravane ou chalet ? Alors, il vous faut toujours un dispositif de vidange. Choisissez ce set d’évacuation pour traversée murale Ttulpe. Le set est fourni complet et peut être facilement assemblé.
– Convient pour le Ttulpe d’intérieur B14
– Tube coulissant réglable : 29,5 à 45 cm
– Adapté aux épaisseurs de paroi : 8 à 15 cm
– Livré avec un angle de 90 degrés















Avis
Il n’y a pas encore d’avis.